JFL-1320CZ direct connecting weighing module
JFL-1320CZ direct connecting weighing module.pdf
specification
Model: JFL-1320CZ | Material: high quality alloy steel / SS | |
Capacity: 0.1T-5T | Output resistance:350±3Ω | |
Output sensitivity;2.0±10%MV/V | Input resistance: 375± 10Ω | |
Zero point output:±1%F.S. | Comprehensive error:≤±0.03% | |
Non-linear: 0.03%F.S. | Repeatability: 0.03%F.S. | |
Excitation voltage:5-15v | Working temperature:-20℃ to +60℃ | |
Safe overload:150% | Ultimate overload:200% | |
Cable:Φ5.7x3.5m | Insulation resistance:≥5000MΩ(50V) | |
Wire connection: red: power +, black: power - | ||
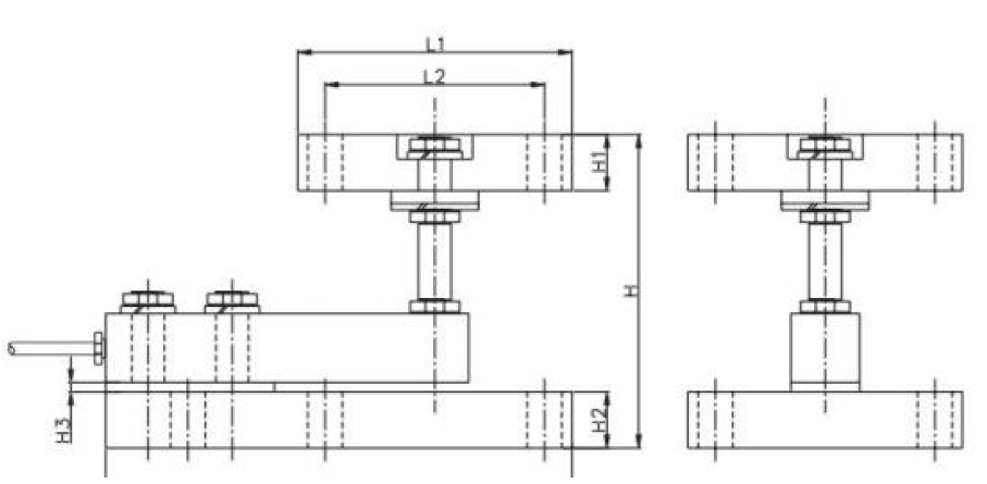
size information


Capacity(t) | L | L1 | L2 | L3 | H | H1 | H2 | H3 | A | B | ΦD |
0.1-3 | 180.9 | 127 | 101.6 | 152.4 | 100-115 | 18 | 18 | 4.0 | 127 | 101.6 | 16 |
5 | 215.9 | 127 | 101.6 | 177.8 | 130-145 | 26 | 26 | 5.0 | 127 | 101.6 | 16 |
Weighing module for hopper scale, Weighing module for conveyor belt systems, Weighing module for tank weighing systems, Modular weighing system, Weighing module for automation, Load cell weighing module for truck scales