JFL-1528I load cell weight sensor
JFL-1528I load cell weight sensor.pdf
specification
Model: JFL-1528I | Material: high quality alloy steel | |
Capacity: 150kg | Output resistance:350±3Ω | |
Output current: 4-20mA | Input resistance: 375± 10Ω | |
Zero point output:±1%F.S. | Comprehensive error:≤±0.1% | |
Excitation voltage:12v | Working temperature:-20℃ to +60℃ | |
Safe overload:150% | Ultimate overload:200% | |
Cable:Φ5.0x15m | Insulation resistance:≥5000MΩ(50V) | |
Wire connection:red: V+ (voltage input), black: COM(common terminal),green: I+(current output) | ||
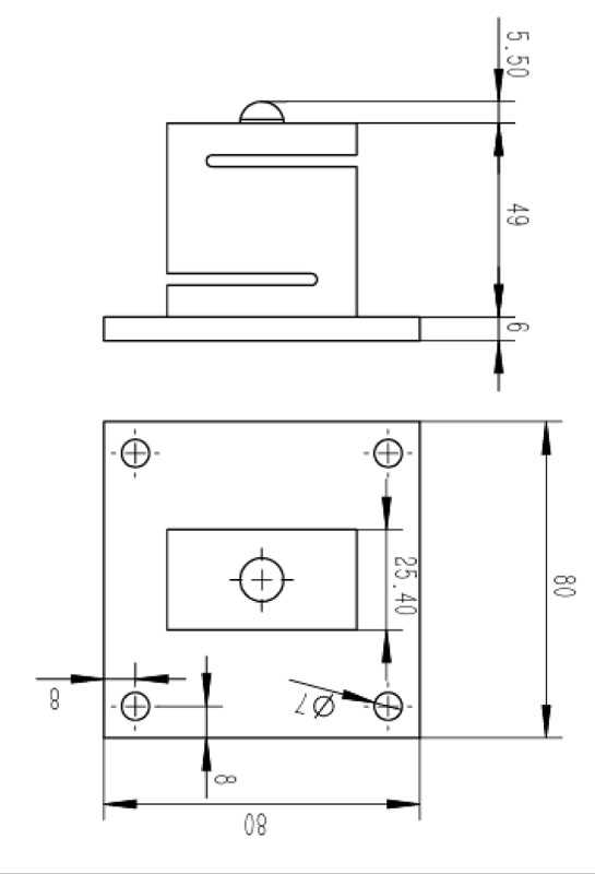
size information

china 150kg 4ma-20ma load cell weight sensor transducer for hydraulic press automated systems weight and force measurement structural testing and analysis dynamic weight measurement force monitoring systems price factory supplier manufacturer vendor